Material |
STEEL |
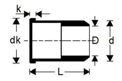
Head |
Thin Head / Low Profile / CSK |
On your mobile, drag the table below to the left and right to see the information.
| Code | Size (D) (mm) |
Head Diameter (dk) +0.30 -0.30 (mm) |
Head Thickness (k) +0.20 -0.20 (mm) |
Outer diameter of Shank (d) (mm) |
Total Length (L) +0.30 -0.30 (mm) |
Hole Size (mm) |
Grip Range (mm) |
| RIV-CSK | M3 | 6.0 | 0.5 | 4.9 | 9.0 | 5 | 0.5 - 2.0 |
| M4 | 7.0 | 0.5 | 5.9 | 11.0 | 6 | 0.5 - 2.0 | |
| M5 | 8.0 | 0.5 | 6.9 | 11.5 | 7 | 0.5 - 2.0 | |
| M6 | 10.0 | 0.6 | 8.9 | 14.0 | 9 | 0.5 - 2.5 | |
| M8 | 12.0 | 0.6 | 10.9 | 16.5 | 11 | 1.0 - 3.0 | |
| M10 | 14.0 | 0.7 | 12.9 | 19.5 | 13 | 1.0 - 3.5 |
BUY ONLINE
Material |
STEEL |
Head |
Flat Head / Large Flange |
On your mobile, drag the table below to the left and right to see the information.
| Code | Size (D) (mm) |
Head Diameter (dk) +0.30 -0.30 (mm) |
Head Thickness (k) +0.20 -0.20 (mm) |
Outer diameter of Shank (d) (mm) |
Total Length (L) +0.30 -0.30 (mm) |
Hole Size (mm) |
Grip Range (mm) |
| RIV-LF | M4 | 9.0 | 0.8 | 5.9 | 10.5 | 6 | 0.5 - 2.0 |
| M5 | 10.0 | 1.0 | 6.9 | 13.0 | 7 | 0.5 - 2.5 | |
| M6 | 12.3 | 1.3 | 8.9 | 15.5 | 9 | 0.5 - 3.0 | |
| M8 | 14.5 | 1.5 | 10.9 | 18.5 | 11 | 1.0 - 3.5 | |
| M10 | 17.0 | 1.7 | 12.9 | 21.0 | 13 | 1.0 - 3.5 | |
| M12 | 22.0 | 2.0 | 15.9 | 25.0 | 16 | 1.0 - 3.5 |
BUY ONLINE
Material |
STEEL (Longer) |
Body |
Flat Head / Large Flange |
On your mobile, drag the table below to the left and right to see the information.
| Code | Size (D) (mm) |
Head Diameter (dk) +0.30 -0.30 (mm) |
Head Thickness (k) +0.20 -0.20 (mm) |
Outer diameter of Shank (d) (mm) |
Total Length (L) +0.30 -0.30 (mm) |
Hole Size (mm) |
Grip Range (mm) |
| RN-LF(L) | M5 | 10.0 | 1.0 | 6.9 | 16.5 | 7 | 2.5 - 5.0 |
| M6 | 12.3 | 1.3 | 8.9 | 19.5 | 9 | 3.0 - 5.5 | |
| M8 | 14.5 | 1.5 | 10.9 | 21.0 | 11 | 3.5 - 6.0 | |
| M10 | 17.0 | 1.7 | 12.9 | 24.0 | 13 | 4.0 - 6.5 |
BUY ONLINE
Material |
STAINLESS STEEL |
Body |
Thin Head / Low Profile / CSK |
On your mobile, drag the table below to the left and right to see the information.
| Code | Size (D) (mm) |
Head Diameter (dk) +0.30 -0.30 (mm) |
Head Thickness (k) +0.20 -0.20 (mm) |
Outer diameter of Shank (d) (mm) |
Total Length (L) +0.30 -0.30 (mm) |
Hole Size (mm) |
Grip Range (mm) |
| RIV-CSK | M4 | 7.0 | 0.5 | 5.9 | 10.5 | 6 | 0.5 - 2.0 |
| M5 | 8.0 | 0.5 | 6.9 | 11.5 | 7 | 0.5 - 2.0 | |
| M6 | 10.0 | 0.6 | 8.9 | 14.0 | 9 | 0.5 - 2.5 | |
| M8 | 12.0 | 0.6 | 10.9 | 16.5 | 11 | 1.0 - 3.0 | |
| M10 | 14.0 | 0.7 | 12.9 | 17.7 | 13 | 1.0 - 3.5 |
BUY ONLINE
Material |
STAINLESS STEEL |
Body |
Flat Head / Large Flange |
On your mobile, drag the table below to the left and right to see the information.
| Code | Size (D) (mm) |
Head Diameter (dk) +0.30 -0.30 (mm) |
Head Thickness (k) +0.20 -0.20 (mm) |
Outer diameter of Shank (d) (mm) |
Total Length (L) +0.30 -0.30 (mm) |
Hole Size (mm) |
Grip Range (mm) |
| RIV-LF | M4 | 9.0 | 0.8 | 5.9 | 10.5 | 6 | 0.5 - 2.0 |
| M5 | 10.0 | 1.0 | 6.9 | 13.0 | 7 | 0.5 - 2.0 | |
| M6 | 12.3 | 1.3 | 8.9 | 15.5 | 9 | 0.5 - 2.5 | |
| M8 | 14.5 | 1.5 | 10.9 | 18.5 | 11 | 1.0 - 3.0 | |
| M10 | 17.0 | 1.6 | 12.9 | 21.0 | 13 | 1.0 - 3.5 |
BUY ONLINE
Material |
ALUMINIUM |
Head |
Flat Head / Large Flange |
On your mobile, drag the table below to the left and right to see the information.
| Code | Size (D) (mm) |
Head Diameter (dk) +0.30 -0.30 (mm) |
Head Thickness (k) +0.20 -0.20 (mm) |
Outer diameter of Shank (d) (mm) |
Total Length (L) +0.30 -0.30 (mm) |
Hole Size (mm) |
Grip Range (mm) |
| RIV-LF | M3 | 7.00 | 0.80 | 4.90 | 9.0 | 5 | 0.5 - 2.0 |
| M4 | 9.00 | 0.80 | 5.85 | 11.0 | 6 | 0.5 - 2.0 | |
| M5 | 10.00 | 1.00 | 6.90 | 13.0 | 7 | 0.5 - 2.5 | |
| M6 | 13.00 | 1.50 | 8.85 | 15.0 | 9 | 0.5 - 3.0 | |
| M8 | 15.00 | 1.60 | 10.95 | 16.5 | 11 | 0.5 - 3.5 |
BUY ONLINE
| SHEER STRENGTH (N) | |||
| Size | ALUMINIUM | STEEL | STAINLESS STEEL |
| M3 | 410 | 1115 | 1750 |
| M4 | 1250 | 2300 | 3500 |
| M5 | 1980 | 3480 | 4720 |
| M6 | 2650 | 4650 | 6730 |
| M8 | 3660 | 7950 | 12800 |
| M10 | 5100 | 8900 | 15000 |
| M12 | 9050 | 12850 | 20100 |
| TENSILE STRENGTH (N) | |||
| Size | ALUMINIUM | STEEL | STAINLESS STEEL |
| M3 | 790 | 1500 | 2020 |
| M4 | 1950 | 3300 | 5100 |
| M5 | 2600 | 4800 | 7050 |
| M6 | 4150 | 7950 | 10250 |
| M8 | 6200 | 9850 | 13950 |
| M10 | 7050 | 11250 | 16950 |
| M12 | 11850 | 21350 | 31950 |
| RESISTANCE OF THREAD (N) | |||
| Size | ALUMINIUM | STEEL | STAINLESS STEEL |
| M3 | 1900 | 4250 | 7500 |
| M4 | 4600 | 8500 | 12000 |
| M5 | 6800 | 12900 | 18500 |
| M6 | 9850 | 18850 | 28500 |
| M8 | 16550 | 25530 | 37500 |
| M10 | 19000 | 27550 | 48550 |
| M12 | 35550 | 61000 | 87500 |